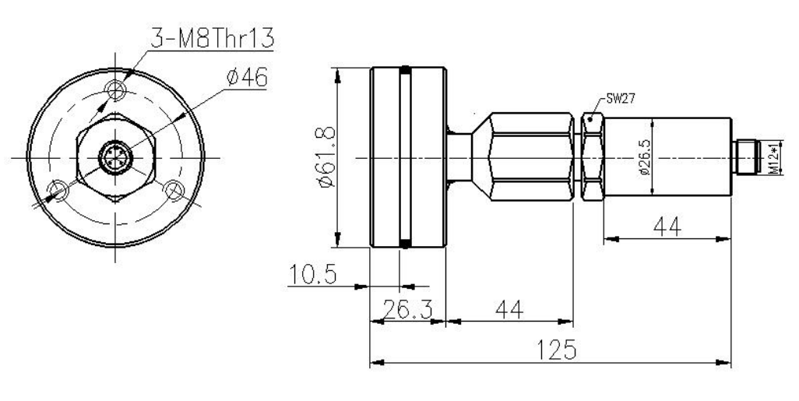
盾構機壓力傳感器測量端采用特殊處理堅固的厚金屬膜片,采用力學傳遞原理,被測介質中堅硬砂粒,小巖石顆粒通過隔離膜片傳感壓力,且不會損壞內部敏感元件。該壓力傳感器結構緊湊、耐腐蝕,抗震動、抗堅硬砂粒沖擊、寬范圍溫度補償。
廣泛應用于土倉壓力監測、液壓系統壓力監測、盾尾油脂腔壓力監測等領域。

| 量程 | 0-6,10,,16,25,40,60,100bar |
| 綜合精度 | 0.2%F·S、0.5%F·S |
| 輸出信號 | 4~20mA(二線制)、0~5V、1~5V、0~10V(三線制) |
| 供電電壓 | 24DCV(10~30VDC) |
| 介質溫度 | -20~75℃ |
| 環境溫度 | -30~75℃ |
| 絕緣電阻 | 大于2000MΩ(100VDC) |
| 密封等級 | IP67 |
| 長期穩定性能 | 0.1%F·S/年 |
| 振動影響 | 在機械振動頻率20Hz~1000Hz內,輸出變化小于0.1%F·S |
| 電氣接口 | M12*1 接插件 |
| 過載壓力 | 300%FS |
1.隆旅為客戶提供安裝調試服務,以及其他技術咨詢,必要時技術人員可上門提供技術培訓。客戶如有技術上疑問,技術人員將在4個小時內給出回復。
2.隆旅產品嚴格按照ISO9001國際質量體系設計生產,傳感器產品質保1年.儀表類產品質保3年,7天退換貨,終身維修。(人為損壞不在質保范圍,定制產品無質量問題不退不換。)
3.因質量問題造成的退換貨,隆旅將承擔退換貨運費。非質量問題退換貨費用將由客戶承擔。
注:質量問題是指功能,尺寸、指標、安裝方式等定制參數未按照客戶提出的要求定制,功能不符,尺寸誤差,精度不準(誤差范圍內除外)。
定制產品需雙方確認圖紙后加工生產,如產品不符合客戶要求需在二周內提出書面異議,客戶未按規定期限提出異議視為驗收合格。
如在期限內提出異議,雙方確認后確屬產品質量問題或未按雙方確認后的要求生產,可調換或退款。如無質量問題,且發貨型號與合同簽訂型號完整無誤,則不提供退換貨服務。
4. 返廠維修的產品將在3個工作日內出具檢測結果,7個工作日內完成維修。
售后咨詢
技術咨詢、返廠維修、發票、投訴建議等相關問題。售后服務熱線021-51601181
地址:上海市寶山區顧村鎮滬太路5018號梓坤科技園1號樓910室
24小時全國熱線:400-7282-986
售前咨詢熱線:021-51602986
售后咨詢熱線:021-51601181
企業公眾號
企業抖音號
企業視頻號
企業微博
企業小紅書