無線溫度傳感器屬于流體溫度監控的無線監控系統的配套產品,適用于石油油水井的生產、儲運工藝過程的溫度監測,自來水管網的監控,水利水電的遙測,燃氣管道的溫度檢測,江河湖海的液位檢測等。采用微功耗無線通訊模式,不需要接線,安裝更為快捷、安全方便。標準溫度測量信號通過以無線太網傳輸,能夠方便的接入測控系統,有著廣泛的應用層面。能夠直接將數據發送發到指定IP服務器。支持私有服務器以及公共服務器。支持OPC讀取數據。
廣泛應用于工業設備監控,冷鏈物流與倉儲,農業與畜牧業,醫療與實驗室等領域。

| 溫度量程 | -200~850℃ |
| 綜合精度 | 0.5級 |
| 被測介質 | 液體、氣體 |
| 過載壓力 | 150%FS |
| 小數位數 | 0~3位可設定 |
| 信號傳輸 | 2G,3G,4G,NB-IOT網絡通訊。UDP,TCPIP協議 |
| 發射功率 | ≤750mW |
| 工作電源 | 3.6V鋰電池 |
| 通訊距離 | 基站決定 |
| 上報周期 | 1分鐘~12小時可設定 |
| 外殼防護 | IP66 |
| 工作環境溫度 | -40~75℃ |
| 工作環境濕度 | ≤97%RH |
| 產品重量 | 2000g |
| 防爆等級 | Exib IIC T4 Gb |
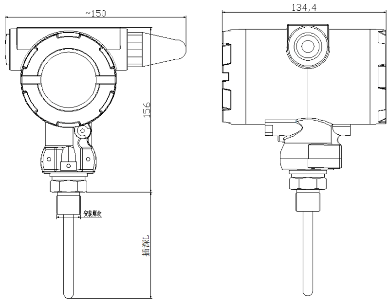
| 螺紋連接 | M20*1.5,G1/4 |
| 外殼材質 | 鋁合金 |
| 溫度接口 | 316L不銹鋼 |
1.隆旅為客戶提供安裝調試服務,以及其他技術咨詢,必要時技術人員可上門提供技術培訓。客戶如有技術上疑問,技術人員將在4個小時內給出回復。
2.隆旅產品嚴格按照ISO9001國際質量體系設計生產,傳感器產品質保1年.儀表類產品質保3年,7天退換貨,終身維修。(人為損壞不在質保范圍,定制產品無質量問題不退不換。)
3.因質量問題造成的退換貨,隆旅將承擔退換貨運費。非質量問題退換貨費用將由客戶承擔。
注:質量問題是指功能,尺寸、指標、安裝方式等定制參數未按照客戶提出的要求定制,功能不符,尺寸誤差,精度不準(誤差范圍內除外)。
定制產品需雙方確認圖紙后加工生產,如產品不符合客戶要求需在二周內提出書面異議,客戶未按規定期限提出異議視為驗收合格。
如在期限內提出異議,雙方確認后確屬產品質量問題或未按雙方確認后的要求生產,可調換或退款。如無質量問題,且發貨型號與合同簽訂型號完整無誤,則不提供退換貨服務。
4. 返廠維修的產品將在3個工作日內出具檢測結果,7個工作日內完成維修。
售后咨詢
技術咨詢、返廠維修、發票、投訴建議等相關問題。售后服務熱線021-51601181
地址:上海市寶山區顧村鎮滬太路5018號梓坤科技園1號樓910室
24小時全國熱線:400-7282-986
售前咨詢熱線:021-51602986
售后咨詢熱線:021-51601181
企業公眾號
企業抖音號
企業視頻號
企業微博
企業小紅書