應變式壓力傳感器采用不銹鋼整體構件,進口彈性體原件,高精度應變計及先進的技術工藝,具有靈敏度高、性能穩定、良好的抗沖擊能力。適用于許多過程軟弱的腐蝕性介質中的壓力測量與控制。結構件采用國標304不銹鋼,結構小巧、緊湊,有良好的防潮能力和優異的介質兼容性。
廣泛應用于工業設備、航空航天、軍工、水利、化工、醫療、電力、空調、金剛石壓機、冶金、車輛制動、樓宇供水等領域

| 量程 | 0~0.6,1,2,3,5,10,20,30,40,50,60,80,100MPa |
| 綜合精度 | 0.2%F·S、0.5%F·S |
| 輸出信號 | 1.0mV/V、1.5mV/V、2.0mV/V、2.5mV/V、3.3mV/V(四線制) |
| 供電電壓 | 10DCV(6~12DCV) |
| 介質溫度 | -20~85~150℃ |
| 環境溫度 | (常溫)-20~85℃ |
| 輸出阻抗 | 350/1000/1650/2000Ω |
| 絕緣電阻 | 大于2000MΩ(100VDC) |
| 密封等級 | IP65 |
| 長期穩定性能 | 0.1%F·S/年 |
| 振動影響 | 在機械振動頻率20Hz~1000Hz內,輸出變化小于0.1%F·S |
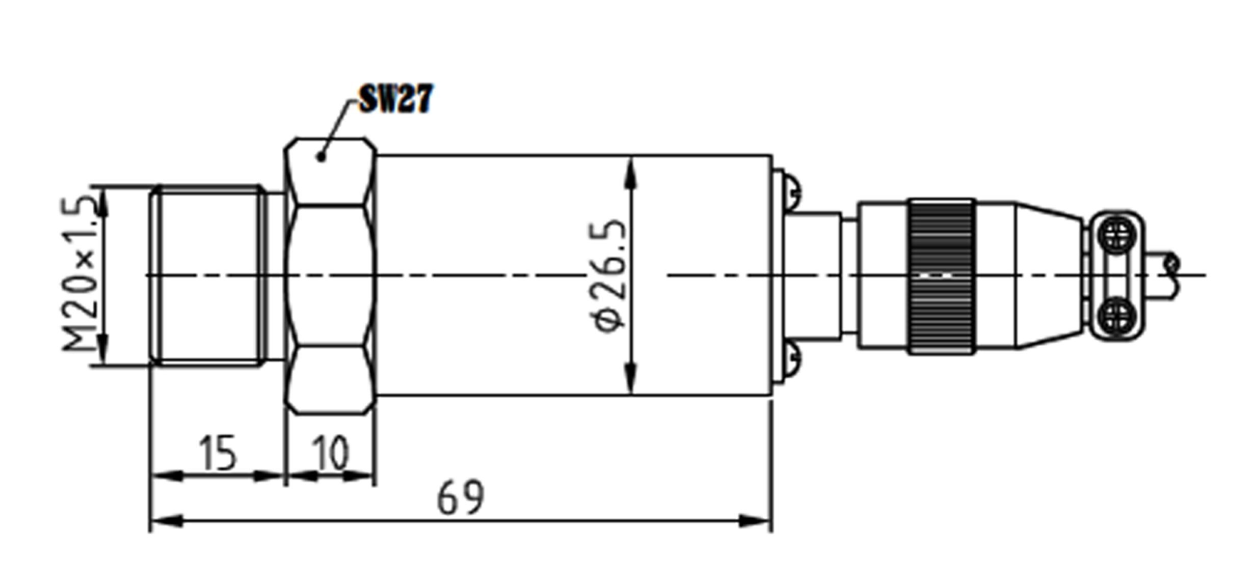
| 電氣接口 | 四芯或五芯航空接插件 |
| 機械連接 | M14×1.5、M20×1.5,其他螺紋可依據客戶要求設計 |
1.隆旅為客戶提供安裝調試服務,以及其他技術咨詢,必要時技術人員可上門提供技術培訓。客戶如有技術上疑問,技術人員將在4個小時內給出回復。
2.隆旅產品嚴格按照ISO9001國際質量體系設計生產,傳感器產品質保1年.儀表類產品質保3年,7天退換貨,終身維修。(人為損壞不在質保范圍,定制產品無質量問題不退不換。)
3.因質量問題造成的退換貨,隆旅將承擔退換貨運費。非質量問題退換貨費用將由客戶承擔。
注:質量問題是指功能,尺寸、指標、安裝方式等定制參數未按照客戶提出的要求定制,功能不符,尺寸誤差,精度不準(誤差范圍內除外)。
定制產品需雙方確認圖紙后加工生產,如產品不符合客戶要求需在二周內提出書面異議,客戶未按規定期限提出異議視為驗收合格。
如在期限內提出異議,雙方確認后確屬產品質量問題或未按雙方確認后的要求生產,可調換或退款。如無質量問題,且發貨型號與合同簽訂型號完整無誤,則不提供退換貨服務。
4. 返廠維修的產品將在3個工作日內出具檢測結果,7個工作日內完成維修。
售后咨詢
技術咨詢、返廠維修、發票、投訴建議等相關問題。售后服務熱線021-51601181
地址:上海市寶山區顧村鎮滬太路5018號梓坤科技園1號樓910室
24小時全國熱線:400-7282-986
售前咨詢熱線:021-51602986
售后咨詢熱線:021-51601181
企業公眾號
企業抖音號
企業視頻號
企業微博
企業小紅書