溫壓一體壓力變送器,加裝了測溫熱電偶,可實現壓力溫度同點測量。實現壓力的測量與控制;其內置放大電路,經過放大的信號也可直接輸入PLC控制系統,內部80%校準信號。
廣泛應用于石油化工、化纖紡機、無紡布、塑料、橡膠、擠出設備等行業。

| 量程 | 0~3.5MPa...0~150MPa(0~500psi...0~20000psi) |
| 過載壓力 | 150%FS |
| 綜合精度 | ±1.0%FS,±1.5%FS(包括線性、重復性和滯后性) |
| 輸出信號 | 3.33mV/V、2mV/V |
| 輸入電壓 | 24VDC |
| 重復性 | ±0.2%FS |
| 響應速度 | ≤5ms |
| 輸出阻抗 | 350 Ohms±10% |
| 內部自校準 | 80%FS±1% |
| 膜片耐溫 | 最大400℃ |
| 膜片材料 | 17-4PH 帶涂層的不銹鋼 |
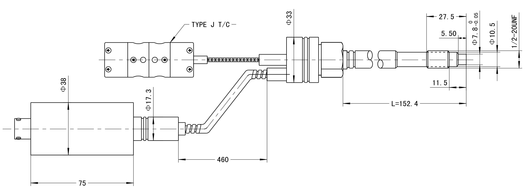
| 電氣連接 | 五芯航空插件,六芯航空插件 |
| 過程連接 | 1/2”-20UNF,M14 x 1.5,M18 x 1.5,M22 x 1.5,G 3/4 |
| 溫度型號 | J,K,E,PT100 |
1.隆旅為客戶提供安裝調試服務,以及其他技術咨詢,必要時技術人員可上門提供技術培訓。客戶如有技術上疑問,技術人員將在4個小時內給出回復。
2.隆旅產品嚴格按照ISO9001國際質量體系設計生產,傳感器產品質保1年.儀表類產品質保3年,7天退換貨,終身維修。(人為損壞不在質保范圍,定制產品無質量問題不退不換。)
3.因質量問題造成的退換貨,隆旅將承擔退換貨運費。非質量問題退換貨費用將由客戶承擔。
注:質量問題是指功能,尺寸、指標、安裝方式等定制參數未按照客戶提出的要求定制,功能不符,尺寸誤差,精度不準(誤差范圍內除外)。
定制產品需雙方確認圖紙后加工生產,如產品不符合客戶要求需在二周內提出書面異議,客戶未按規定期限提出異議視為驗收合格。
如在期限內提出異議,雙方確認后確屬產品質量問題或未按雙方確認后的要求生產,可調換或退款。如無質量問題,且發貨型號與合同簽訂型號完整無誤,則不提供退換貨服務。
4. 返廠維修的產品將在3個工作日內出具檢測結果,7個工作日內完成維修。
售后咨詢
技術咨詢、返廠維修、發票、投訴建議等相關問題。售后服務熱線021-51601181
地址:上海市寶山區顧村鎮滬太路5018號梓坤科技園1號樓910室
24小時全國熱線:400-7282-986
售前咨詢熱線:021-51602986
售后咨詢熱線:021-51601181
企業公眾號
企業抖音號
企業視頻號
企業微博
企業小紅書