
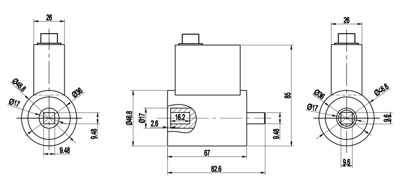
| 量程 | 0~20NM |
| 供電電壓 | ±15VDC(使用頻率信號輸出)、24VDC(適用電壓或電流信號輸出) |
| 扭矩信號 | 5~15kHz(幅值12V,零點10kHz)、4~20mA、1~5V、0~10V(可選) |
| 轉速范圍 | 0~9000轉/分 |
| 轉速信號 | 轉速60脈沖/轉 |
| 精度 | ±0.25%FS、±0.5%FS |
| 年穩定性 | 0.25%FS/年 |
| 絕緣電阻 | ≥2000MΩ(100VDC) |
| 環境溫度 | -20~60℃ |
| 相對濕度 | 0~90%RH |
| 過載能力 | 150% |
1.隆旅為客戶提供安裝調試服務,以及其他技術咨詢,必要時技術人員可上門提供技術培訓。客戶如有技術上疑問,技術人員將在4個小時內給出回復。
2.隆旅產品嚴格按照ISO9001國際質量體系設計生產,傳感器產品質保1年.儀表類產品質保3年,7天退換貨,終身維修。(人為損壞不在質保范圍,定制產品無質量問題不退不換。)
3.因質量問題造成的退換貨,隆旅將承擔退換貨運費。非質量問題退換貨費用將由客戶承擔。
注:質量問題是指功能,尺寸、指標、安裝方式等定制參數未按照客戶提出的要求定制,功能不符,尺寸誤差,精度不準(誤差范圍內除外)。
定制產品需雙方確認圖紙后加工生產,如產品不符合客戶要求需在二周內提出書面異議,客戶未按規定期限提出異議視為驗收合格。
如在期限內提出異議,雙方確認后確屬產品質量問題或未按雙方確認后的要求生產,可調換或退款。如無質量問題,且發貨型號與合同簽訂型號完整無誤,則不提供退換貨服務。
4. 返廠維修的產品將在3個工作日內出具檢測結果,7個工作日內完成維修。
售后咨詢
技術咨詢、返廠維修、發票、投訴建議等相關問題。售后服務熱線021-51601181
地址:上海市寶山區顧村鎮滬太路5018號梓坤科技園1號樓910室
24小時全國熱線:400-7282-986
售前咨詢熱線:021-51602986
售后咨詢熱線:021-51601181
企業公眾號
企業抖音號
企業視頻號
企業微博
企業小紅書