靜態扭矩傳感器是一種專門用于測量不產生旋轉運動或旋轉速度極低(可忽略動態效應)的物體所受扭矩的傳感器。其核心原理是通過檢測扭矩作用下彈性元件產生的形變(如應變、扭轉角等),將物理形變轉化為可測量的電信號(如電壓、電流等),進而實現對扭矩數值的精確測量。
廣泛應用于螺栓 / 螺母緊固檢測、汽車工程、航空航天、科研實驗、醫療、土木工程、農業機械等領域。

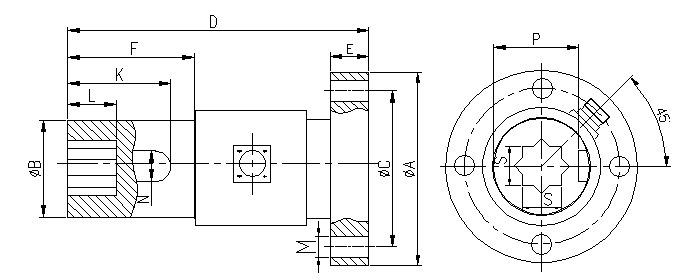
| 型號 | 量程 | ΦA | ΦB | ΦC | D | E | F | K | L | N | S | P | M |
| NJL-203A | 0-1000Nm | 99 | 50 | 80 | 155 | 20 | 65 | 53 | 25 | 16 | 20 | 44 | 4-φ10.5 |
| NJL-203B | 0-500Nm | 98 | 50 | 80 | 90 | 15 | 33 | 33 | 25 | 16 | 20 | 44 | 4-φ10.5 |
| NJL-203C | 0-2000Nm | 125 | 75 | 105 | 150 | 20 | 62 | 60 | 30 | 20 | 25.5 | 67.5 | 8-φ12.5 |
| NJL-203C | 0-5000Nm | 125 | 75 | 105 | 150 | 20 | 62 | 60 | 90 | 20 | 40.5 | 67.5 | 8-φ12.5 |
| NJL-203D | 0-10000Nm | 190 | 98 | 160 | 220 | 30 | 120 | 110 | 70 | 2-28 | 55 | 78 | 8-φ19 |
| 測量范圍 | 0~50/100/200/300/500/1000Nm(NJL-203A) 0~50/100/200/300/500Nm(NJL-203B) 0~2000/3000/5000Nm(NJL-203C) 0~10000Nm及以上(NJL-203D) |
| 輸出靈敏度 | 1.0~2.0mV/V |
| 綜合精度 | ±0.1%FS;±0.3%FS;±0.5%F·S(線性+重復性+滯后) |
| 工作溫度 | -20~+65℃ |
| 溫度補償范圍 | -10~+60℃ |
| 零點溫度影響 | ±0.1%F·S/10℃ |
| 激勵電壓 | 5~15VDC(推薦電壓10VDC) |
| 響應頻率 | 100μS |
| 絕緣電阻 | 2000MΩ/100VDC |
| 輸入電阻 | 700±10/350±10Ω |
| 輸出電阻 | 700±5/350±5Ω |
| 零點輸出 | 0~±1%F·S |
| 安全過載 | 120%F·S |
| 材質 | 合金鋼 |
| 電氣連接方式 | 紅/E+,黑/E-,綠/S+,白/S- |
1.隆旅為客戶提供安裝調試服務,以及其他技術咨詢,必要時技術人員可上門提供技術培訓。客戶如有技術上疑問,技術人員將在4個小時內給出回復。
2.隆旅產品嚴格按照ISO9001國際質量體系設計生產,傳感器產品質保1年.儀表類產品質保3年,7天退換貨,終身維修。(人為損壞不在質保范圍,定制產品無質量問題不退不換。)
3.因質量問題造成的退換貨,隆旅將承擔退換貨運費。非質量問題退換貨費用將由客戶承擔。
注:質量問題是指功能,尺寸、指標、安裝方式等定制參數未按照客戶提出的要求定制,功能不符,尺寸誤差,精度不準(誤差范圍內除外)。
定制產品需雙方確認圖紙后加工生產,如產品不符合客戶要求需在二周內提出書面異議,客戶未按規定期限提出異議視為驗收合格。
如在期限內提出異議,雙方確認后確屬產品質量問題或未按雙方確認后的要求生產,可調換或退款。如無質量問題,且發貨型號與合同簽訂型號完整無誤,則不提供退換貨服務。
4. 返廠維修的產品將在3個工作日內出具檢測結果,7個工作日內完成維修。
售后咨詢
技術咨詢、返廠維修、發票、投訴建議等相關問題。售后服務熱線021-51601181
地址:上海市寶山區顧村鎮滬太路5018號梓坤科技園1號樓910室
24小時全國熱線:400-7282-986
售前咨詢熱線:021-51602986
售后咨詢熱線:021-51601181
企業公眾號
企業抖音號
企業視頻號
企業微博
企業小紅書