動態扭矩傳感器,檢測精度高,穩定性好,抗干擾能力強,體積小,重量輕,易于安裝,可高速長時間運轉,輸出正反轉扭矩信號,兩端均為鍵連接,安裝使用方便,是對各種旋轉或非旋轉機械部件上對扭轉力矩感知的檢測。扭矩傳感器將扭力的物理變化轉換成精確的電信號。扭矩傳感器可以用在制造粘度計,電動扭力扳手,傳遞電動機、內燃機等旋轉動力設備的輸出扭矩及功率。
廣泛應用于工業制造與自動化,交通裝備,能源與動力設備,科研與實驗等領域。

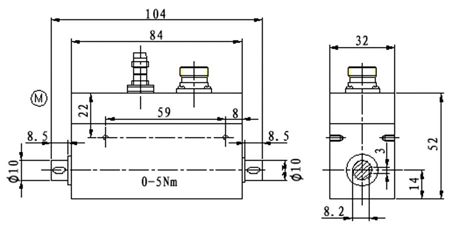
| 測量范圍 | 0~5Nm |
| 靈敏度 | 1.5±10%mV/V |
| 零點輸出 | ±1%FS |
| 非線性 | ±0.1%FS;±0.3%FS |
| 滯后 | ≤±0.05%FS |
| 重復性 | ≤±0.05%FS |
| 蠕變 | ≤0.03%FS/30min |
| 溫度靈敏度漂移 | 0.03%FS/10℃ |
| 零點溫度漂移 | 0.03%FS/10℃ |
| 輸入電阻 | 750±10/350±10Ω |
| 輸出電阻 | 700±5/350±5Ω |
| 響應頻率 | 100μS |
| 絕緣電阻 | ≥5000MΩ/100VDC |
| 激勵電壓 | 10VDC(5-15VDC) |
| 溫度補償范圍 | -10~60℃ |
| 工作溫度范圍 | -20~65℃ |
| 安全超載 | 150%FS |
| 極限超載 | 200%FS |
| 電纜線尺寸 | ?5.2x3m |
| 電氣連接 | 紅/E+,黑/E-,綠/S+,白/S- |
| 材質 | 鋁,不銹鋼或合金鋼 |
1.隆旅為客戶提供安裝調試服務,以及其他技術咨詢,必要時技術人員可上門提供技術培訓。客戶如有技術上疑問,技術人員將在4個小時內給出回復。
2.隆旅產品嚴格按照ISO9001國際質量體系設計生產,傳感器產品質保1年.儀表類產品質保3年,7天退換貨,終身維修。(人為損壞不在質保范圍,定制產品無質量問題不退不換。)
3.因質量問題造成的退換貨,隆旅將承擔退換貨運費。非質量問題退換貨費用將由客戶承擔。
注:質量問題是指功能,尺寸、指標、安裝方式等定制參數未按照客戶提出的要求定制,功能不符,尺寸誤差,精度不準(誤差范圍內除外)。
定制產品需雙方確認圖紙后加工生產,如產品不符合客戶要求需在二周內提出書面異議,客戶未按規定期限提出異議視為驗收合格。
如在期限內提出異議,雙方確認后確屬產品質量問題或未按雙方確認后的要求生產,可調換或退款。如無質量問題,且發貨型號與合同簽訂型號完整無誤,則不提供退換貨服務。
4. 返廠維修的產品將在3個工作日內出具檢測結果,7個工作日內完成維修。
售后咨詢
技術咨詢、返廠維修、發票、投訴建議等相關問題。售后服務熱線021-51601181
地址:上海市寶山區顧村鎮滬太路5018號梓坤科技園1號樓910室
24小時全國熱線:400-7282-986
售前咨詢熱線:021-51602986
售后咨詢熱線:021-51601181
企業公眾號
企業抖音號
企業視頻號
企業微博
企業小紅書