穿軸式張力傳感器采用高精度電阻應變片檢測卷材張力,具有張力測量領域較高的測量精度、可靠性及穩定性。傳感器內置過載保護機構,且每一只傳感器出廠前均經過嚴格測試,因而確保了產品的測量精度、穩定性和可靠性,是連續材料加工生產中高性能張力控制應用的最佳選擇。
廣泛應用于線纜生產、薄膜加工、紡織工業、科研實驗、印刷包裝、海洋工程、自動化生產線、農業漁業、機器人等領域。


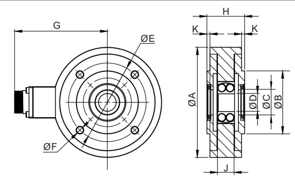
傳感器接線示意圖: 傳感器受力圖:


| 參 數 | 技術參數 | 參 數 | 技術參數 |
| 量程 | 10kg~3000kg | 重復性 | ±0.25%F.S. |
| 輸出信號 | 20mV | 工作溫度范圍 | -20~+60℃ |
| 非線性 | ±0.3%F.S. | 安全過載 | 150%F·S |
| 精度等級 | ±0.3%F.S. | 絕緣電阻 | ≥5000MΩ/100VDC |
| 滯后 | ±0.3%F.S. | 激勵電壓 | 5V~15V |
1.隆旅為客戶提供安裝調試服務,以及其他技術咨詢,必要時技術人員可上門提供技術培訓??蛻羧缬屑夹g上疑問,技術人員將在4個小時內給出回復。
2.隆旅產品嚴格按照ISO9001國際質量體系設計生產,傳感器產品質保1年.儀表類產品質保3年,7天退換貨,終身維修。(人為損壞不在質保范圍,定制產品無質量問題不退不換。)
3.因質量問題造成的退換貨,隆旅將承擔退換貨運費。非質量問題退換貨費用將由客戶承擔。
注:質量問題是指功能,尺寸、指標、安裝方式等定制參數未按照客戶提出的要求定制,功能不符,尺寸誤差,精度不準(誤差范圍內除外)。
定制產品需雙方確認圖紙后加工生產,如產品不符合客戶要求需在二周內提出書面異議,客戶未按規定期限提出異議視為驗收合格。
如在期限內提出異議,雙方確認后確屬產品質量問題或未按雙方確認后的要求生產,可調換或退款。如無質量問題,且發貨型號與合同簽訂型號完整無誤,則不提供退換貨服務。
4. 返廠維修的產品將在3個工作日內出具檢測結果,7個工作日內完成維修。
售后咨詢
技術咨詢、返廠維修、發票、投訴建議等相關問題。售后服務熱線021-51601181
地址:上海市寶山區顧村鎮滬太路5018號梓坤科技園1號樓910室
24小時全國熱線:400-7282-986
售前咨詢熱線:021-51602986
售后咨詢熱線:021-51601181
企業公眾號
企業抖音號
企業視頻號
企業微博
企業小紅書