軸承座式張力傳感器是一種集成于軸承座結構中的張力測量裝置,其核心通過將軸承座與力敏感元件(如應變片、壓電組件)結合,利用軸承座承載被測部件(如軸、輥筒)的徑向或軸向張力,敏感元件感知受力后將機械張力信號轉化為可輸出的電信號(如電壓、電流),實現對軸承安裝部位張力的實時監測。
廣泛應用于電機、減速機、工業機床、重型機械等領域。

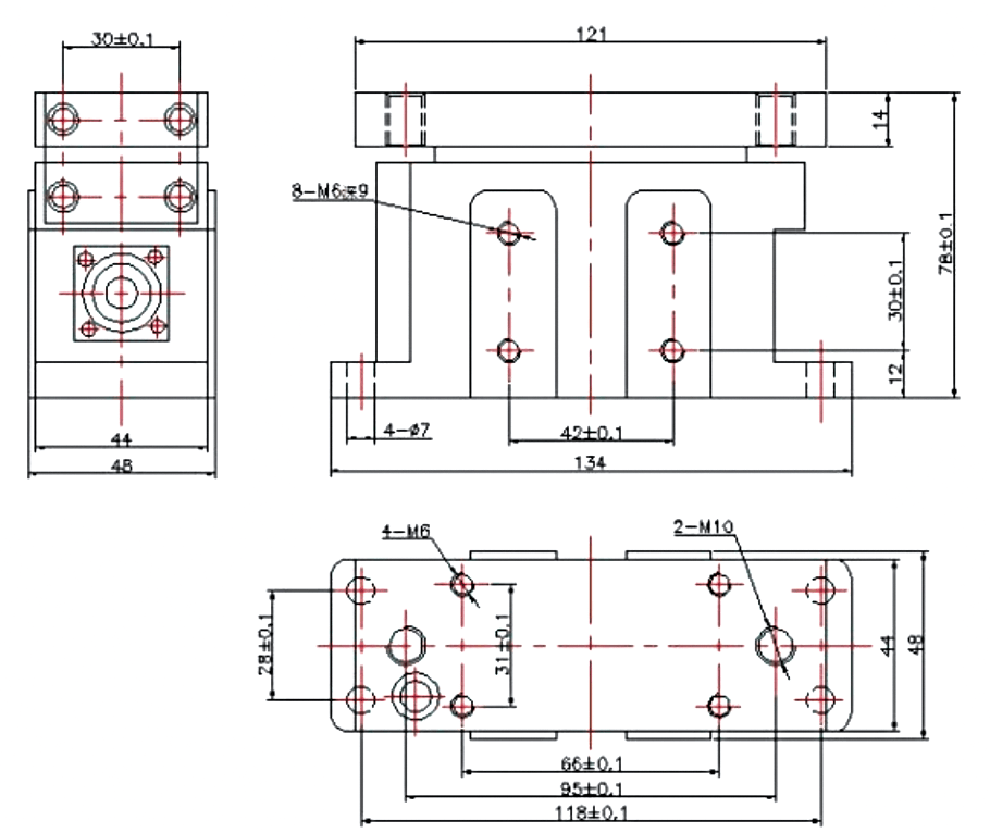
傳感器接線示意圖: 傳感器受力圖:


| 參 數 | 技術參數 | 參 數 | 技術參數 |
| 量程 | 100~3000N | 零點輸出 | ±1%FS |
| 靈敏度 | 1.0~2.0±0.004mV/V | 輸入阻抗 | 380±20Ω |
| 最小檢定分度值 | Emax/3000 | 輸出阻抗 | 350±2Ω |
| 最大檢定分度值 | 1000 | 絕緣電阻 | ≥2000MΩ(1000VDC) |
| 溫度靈敏度漂移 | ≤±0.03%F.S/10℃ | 推薦使用電壓 | 5V~12V |
| 溫度零點漂移 | ≤±0.03%F.S/10℃ | 安全過載 | 150%FS |
| 溫度補償范圍 | -20~+60℃ | 極限過載 | 200%FS |
| 工作溫度范圍 | -35~+70℃ | 防護等級 | IP65 |
1.隆旅為客戶提供安裝調試服務,以及其他技術咨詢,必要時技術人員可上門提供技術培訓??蛻羧缬屑夹g上疑問,技術人員將在4個小時內給出回復。
2.隆旅產品嚴格按照ISO9001國際質量體系設計生產,傳感器產品質保1年.儀表類產品質保3年,7天退換貨,終身維修。(人為損壞不在質保范圍,定制產品無質量問題不退不換。)
3.因質量問題造成的退換貨,隆旅將承擔退換貨運費。非質量問題退換貨費用將由客戶承擔。
注:質量問題是指功能,尺寸、指標、安裝方式等定制參數未按照客戶提出的要求定制,功能不符,尺寸誤差,精度不準(誤差范圍內除外)。
定制產品需雙方確認圖紙后加工生產,如產品不符合客戶要求需在二周內提出書面異議,客戶未按規定期限提出異議視為驗收合格。
如在期限內提出異議,雙方確認后確屬產品質量問題或未按雙方確認后的要求生產,可調換或退款。如無質量問題,且發貨型號與合同簽訂型號完整無誤,則不提供退換貨服務。
4. 返廠維修的產品將在3個工作日內出具檢測結果,7個工作日內完成維修。
售后咨詢
技術咨詢、返廠維修、發票、投訴建議等相關問題。售后服務熱線021-51601181
地址:上海市寶山區顧村鎮滬太路5018號梓坤科技園1號樓910室
24小時全國熱線:400-7282-986
售前咨詢熱線:021-51602986
售后咨詢熱線:021-51601181
企業公眾號
企業抖音號
企業視頻號
企業微博
企業小紅書