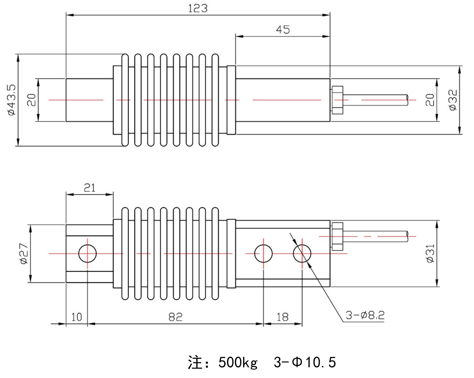
波紋管式懸臂梁傳感器采用平行梁結構,金屬波紋管焊接密封,內部充入惰性氣體。抗過載、抗疲勞、抗偏載能力強。波紋管式懸臂梁傳感器以帶波紋管結構的懸臂梁彈性體為核心,原理是受力時,波紋管與懸臂梁共同產生形變,帶動應變片電阻變化,輸出與力值成正比的電信號,以壓力檢測為主。 特點:波紋管結構增強了抗沖擊和抗偏載能力,密封性較好;量程適中(通常幾十到數百公斤),精度穩定;適合潮濕、多塵等稍復雜環境,如食品加工設備稱重、小型液體儲罐壓力監測等場景。
廣泛應用于電子皮帶秤、料斗秤、平臺秤等專用衡器、各種材料試驗機及其它測力裝置中。

傳感器接線示意圖: 傳感器受力圖:


| 參 數 | 技術參數 | 參 數 | 技術參數 |
| 量程 | 50kg~500kg | 輸出電阻 | 350±5Ω |
| 輸出靈敏度 | 2.0±0.05mV/V | 工作溫度范圍 | -20~+70℃ |
| 非線性 | ±0.03%F.S. | 安全過載 | 150%F·S |
| 滯后誤差 | ±0.03%F.S. | 絕緣電阻 | ≥2000MΩ |
| 重復性誤差 | ±0.03%F.S. | 激勵電壓 | 5V~12V |
| 蠕變 | ±0.03%F.S. | 防護等級 | IP66 |
| 零點溫度系數 | ±0.03%F.S./10℃ | 材質 | 不銹鋼 |
| 靈敏度溫度系數 | ±0.03%F.S./10℃ | 線纜 | Φ5x3m |
| 輸入電阻 | 380±30Ω |
1.隆旅為客戶提供安裝調試服務,以及其他技術咨詢,必要時技術人員可上門提供技術培訓。客戶如有技術上疑問,技術人員將在4個小時內給出回復。
2.隆旅產品嚴格按照ISO9001國際質量體系設計生產,傳感器產品質保1年.儀表類產品質保3年,7天退換貨,終身維修。(人為損壞不在質保范圍,定制產品無質量問題不退不換。)
3.因質量問題造成的退換貨,隆旅將承擔退換貨運費。非質量問題退換貨費用將由客戶承擔。
注:質量問題是指功能,尺寸、指標、安裝方式等定制參數未按照客戶提出的要求定制,功能不符,尺寸誤差,精度不準(誤差范圍內除外)。
定制產品需雙方確認圖紙后加工生產,如產品不符合客戶要求需在二周內提出書面異議,客戶未按規定期限提出異議視為驗收合格。
如在期限內提出異議,雙方確認后確屬產品質量問題或未按雙方確認后的要求生產,可調換或退款。如無質量問題,且發貨型號與合同簽訂型號完整無誤,則不提供退換貨服務。
4. 返廠維修的產品將在3個工作日內出具檢測結果,7個工作日內完成維修。
售后咨詢
技術咨詢、返廠維修、發票、投訴建議等相關問題。售后服務熱線021-51601181
地址:上海市寶山區顧村鎮滬太路5018號梓坤科技園1號樓910室
24小時全國熱線:400-7282-986
售前咨詢熱線:021-51602986
售后咨詢熱線:021-51601181
企業公眾號
企業抖音號
企業視頻號
企業微博
企業小紅書