懸臂梁式傳感器彈性體采用剪切或彎曲懸臂梁結構,一端固定、一端受力,外形高度低,結構強度高,可用于各種拉伸力和壓縮力的承載和測量。具有防塵密封、量程范圍廣、精度高、性能穩定可靠、安裝使用方便等特點。
廣泛應用于電子秤、衡器等各種測力、稱重的工業自動化測量控制系統。

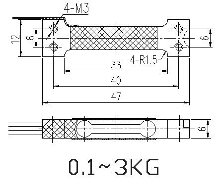
傳感器接線示意圖: 傳感器受力圖:


| 參 數 | 技術參數 | 參 數 | 技術參數 |
| 量程 | 0.1kg~3kg | 輸出電阻 | 10000±5Ω |
| 輸出靈敏度 | 1±10%mV/V | 絕緣電阻 | ≥5000MΩ/100VDC |
| 零點輸出 | ±1%F.S. | 激勵電壓 | 5-10VDC |
| 非線性 | ±0.03%F.S. | 溫度補償范圍 | -10~60℃ |
| 滯后誤差 | ≤0.05%F.S. | 工作溫度范圍 | -20~65℃ |
| 重復性誤差 | ≤0.05%F.S. | 安全過載 | 150%FS |
| 蠕變 | ≤0.05%F.S. | 極限超載 | 200%FS |
| 零點溫度系數 | ±0.05%F.S./10℃ | 電纜線長度 | 四色排線 |
| 靈敏度溫度系數 | ±0.05%F.S./10℃ | 電氣連接 | 紅/E+,黑/E-, 綠S+,白/S- |
| 輸入電阻 | 1000±10Ω | 材質 | 鋁合金 |
| 四角誤差 | 0.02%加載值/100mm |
1.隆旅為客戶提供安裝調試服務,以及其他技術咨詢,必要時技術人員可上門提供技術培訓。客戶如有技術上疑問,技術人員將在4個小時內給出回復。
2.隆旅產品嚴格按照ISO9001國際質量體系設計生產,傳感器產品質保1年.儀表類產品質保3年,7天退換貨,終身維修。(人為損壞不在質保范圍,定制產品無質量問題不退不換。)
3.因質量問題造成的退換貨,隆旅將承擔退換貨運費。非質量問題退換貨費用將由客戶承擔。
注:質量問題是指功能,尺寸、指標、安裝方式等定制參數未按照客戶提出的要求定制,功能不符,尺寸誤差,精度不準(誤差范圍內除外)。
定制產品需雙方確認圖紙后加工生產,如產品不符合客戶要求需在二周內提出書面異議,客戶未按規定期限提出異議視為驗收合格。
如在期限內提出異議,雙方確認后確屬產品質量問題或未按雙方確認后的要求生產,可調換或退款。如無質量問題,且發貨型號與合同簽訂型號完整無誤,則不提供退換貨服務。
4. 返廠維修的產品將在3個工作日內出具檢測結果,7個工作日內完成維修。
售后咨詢
技術咨詢、返廠維修、發票、投訴建議等相關問題。售后服務熱線021-51601181
地址:上海市寶山區顧村鎮滬太路5018號梓坤科技園1號樓910室
24小時全國熱線:400-7282-986
售前咨詢熱線:021-51602986
售后咨詢熱線:021-51601181
企業公眾號
企業抖音號
企業視頻號
企業微博
企業小紅書