定滑輪式荷重傳感器采用雙剪切梁式結構,綜合精度高、安裝簡單方便、長期穩定性好、兼容性好。定滑輪式荷重傳感器將**定滑輪結構與測力元件集成**,原理是繩索通過滑輪時,張力使傳感器彈性體產生形變,應變片感知形變并轉換為與載荷對應的電信號,間接測量繩索所受拉力(載荷)。 特點:適應繩索類載荷測量場景,安裝方便;可通過滑輪改變力的方向,不影響原有受力路徑;測量精度受繩索角度影響較小,量程中等,適用于起重設備、電梯限速器、纜繩張力監測等需間接測拉力的場景。
廣泛應用于起重、水利、煤礦等行業的自動化測量控制系統。

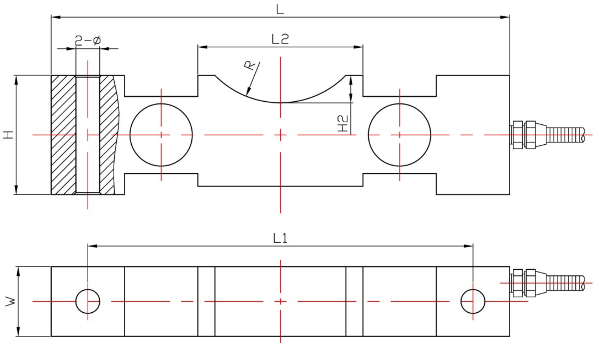
| 量程 | L | W | H | L2 | L2 | R | H2 | 2-Φ |
| 2t | 250 | 32 | 65 | 210 | 90 | 50 | 15 | Φ13 |
| 3t | 250 | 38 | 65 | 210 | 90 | 50 | 15 | Φ13 |
| 5t | 300 | 44 | 80 | 250 | 110 | 60 | 18 | Φ17 |
| 10t | 300 | 44 | 80 | 250 | 110 | 60 | 20 | Φ17 |
| 15t~20t | 350 | 60 | 106 | 295 | 146 | 80 | 23 | Φ22 |
| 30t | 410 | 68 | 114 | 340 | 170 | 90 | 26 | Φ26 |
| 50t | 460 | 68 | 116 | 360 | 170 | 90 | 26 | Φ32 |
傳感器接線示意圖: 傳感器受力圖:


| 參 數 | 技術參數 | 參 數 | 技術參數 |
| 量程 | 2t~50t | 輸出電阻 | 700±5Ω |
| 輸出靈敏度 | 1.5±0.05mV/V | 工作溫度范圍 | -20~+70℃ |
| 非線性 | ±0.05%F.S. | 安全過載 | 150%F·S |
| 滯后誤差 | ±0.05%F.S. | 絕緣電阻 | ≥2000MΩ |
| 重復性誤差 | ±0.05%F.S. | 激勵電壓 | 5V~12V |
| 蠕變 | ±0.05%F.S. | 防護等級 | IP66 |
| 零點溫度系數 | ±0.05%F.S./10℃ | 材質 | 合金鋼、不銹鋼 |
| 靈敏度溫度系數 | ±0.05%F.S./10℃ | 線纜 | Φ5x3m |
| 輸入電阻 | 750±30Ω |
1.隆旅為客戶提供安裝調試服務,以及其他技術咨詢,必要時技術人員可上門提供技術培訓。客戶如有技術上疑問,技術人員將在4個小時內給出回復。
2.隆旅產品嚴格按照ISO9001國際質量體系設計生產,傳感器產品質保1年.儀表類產品質保3年,7天退換貨,終身維修。(人為損壞不在質保范圍,定制產品無質量問題不退不換。)
3.因質量問題造成的退換貨,隆旅將承擔退換貨運費。非質量問題退換貨費用將由客戶承擔。
注:質量問題是指功能,尺寸、指標、安裝方式等定制參數未按照客戶提出的要求定制,功能不符,尺寸誤差,精度不準(誤差范圍內除外)。
定制產品需雙方確認圖紙后加工生產,如產品不符合客戶要求需在二周內提出書面異議,客戶未按規定期限提出異議視為驗收合格。
如在期限內提出異議,雙方確認后確屬產品質量問題或未按雙方確認后的要求生產,可調換或退款。如無質量問題,且發貨型號與合同簽訂型號完整無誤,則不提供退換貨服務。
4. 返廠維修的產品將在3個工作日內出具檢測結果,7個工作日內完成維修。
售后咨詢
技術咨詢、返廠維修、發票、投訴建議等相關問題。售后服務熱線021-51601181
地址:上海市寶山區顧村鎮滬太路5018號梓坤科技園1號樓910室
24小時全國熱線:400-7282-986
售前咨詢熱線:021-51602986
售后咨詢熱線:021-51601181
企業公眾號
企業抖音號
企業視頻號
企業微博
企業小紅書