柱式荷重傳感器結構緊湊,綜合精度高,長期穩定性好,動態響應頻率高,優質不銹鋼材料。柱式荷重傳感器的核心是**利用柱狀彈性體的應變效應實現力電轉換**。原理為:外力作用使柱狀彈性體產生形變,表面應變片隨形變改變電阻,通過測量電路將電阻變化轉化為與載荷成正比的電信號。 特點簡單概括:結構堅固、承載能力強,精度穩定,抗偏載能力較好,適用于大載荷測量,安裝維護較簡便。
廣泛應用于汽車壓裝、自動化組裝、3C產品測試、新能源產品組裝、醫療檢測、機器人領域,模具組裝及其他工業測試、自動化設備領域和測試領域。

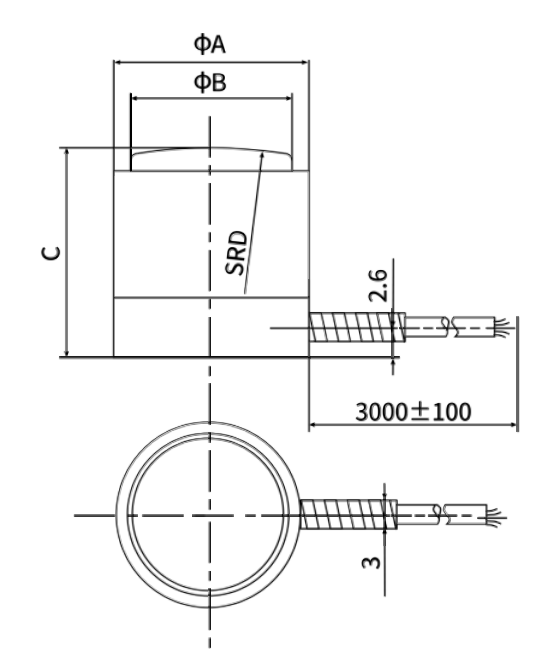
| 量 程 | A | B | C | D |
| 10~20KN | 16 | 14 | 15 | 50 |
| 50~75KN | 22.4 | 20.4 | 22.4 | 100 |
| 100~150KN | 31.8 | 28.9 | 28.7 | 125 |
傳感器接線示意圖: 傳感器受力圖:


技術指標
| 參 數 | 技術參數 | 參 數 | 技術參數 |
| 量程 | 0~150KN | 材質 | 不銹鋼 |
| 輸出靈敏度 | 1.0~1.5mV/V | 阻抗 | 350Ω |
| 零點輸出 | ±2%F.S. | 絕緣電阻 | ≥5000MΩ/100VDC |
| 非線性 | 0.5%F.S. | 使用電壓 | 5~15V |
| 滯后 | 0.1%F.S. | 工作溫度范圍 | -20~80℃ |
| 重復性 | 0.1%F.S. | 安全過載 | 150%F·S |
| 蠕變(30分鐘) | 0.1%F.S. | 極限過載 | 200% |
| 溫度靈敏度漂移 | 0.05%F.S./10℃ | 電纜線規格 | Φ2x2m |
| 零點溫度漂移 | 0.05%F.S./10℃ | 線纜極限拉力 | 10kg |
| 響應頻率 | 10kHz |
1.隆旅為客戶提供安裝調試服務,以及其他技術咨詢,必要時技術人員可上門提供技術培訓。客戶如有技術上疑問,技術人員將在4個小時內給出回復。
2.隆旅產品嚴格按照ISO9001國際質量體系設計生產,傳感器產品質保1年.儀表類產品質保3年,7天退換貨,終身維修。(人為損壞不在質保范圍,定制產品無質量問題不退不換。)
3.因質量問題造成的退換貨,隆旅將承擔退換貨運費。非質量問題退換貨費用將由客戶承擔。
注:質量問題是指功能,尺寸、指標、安裝方式等定制參數未按照客戶提出的要求定制,功能不符,尺寸誤差,精度不準(誤差范圍內除外)。
定制產品需雙方確認圖紙后加工生產,如產品不符合客戶要求需在二周內提出書面異議,客戶未按規定期限提出異議視為驗收合格。
如在期限內提出異議,雙方確認后確屬產品質量問題或未按雙方確認后的要求生產,可調換或退款。如無質量問題,且發貨型號與合同簽訂型號完整無誤,則不提供退換貨服務。
4. 返廠維修的產品將在3個工作日內出具檢測結果,7個工作日內完成維修。
售后咨詢
技術咨詢、返廠維修、發票、投訴建議等相關問題。售后服務熱線021-51601181
地址:上海市寶山區顧村鎮滬太路5018號梓坤科技園1號樓910室
24小時全國熱線:400-7282-986
售前咨詢熱線:021-51602986
售后咨詢熱線:021-51601181
企業公眾號
企業抖音號
企業視頻號
企業微博
企業小紅書